MEITA GROUP
中文版
|
ENGLISH
|
E-MAIL
欧亿(中国)
关于我们
欧亿官方网页版
产品中心
技术能力
联系我们
产品中心
涡轮增压器类
耐热钢
D5S
GGV SiMo
GGG SiMoCr
GGG SiMo
GGG 40
GG 25
发动机组件
GGG SiMo(乘用车)
D5S(乘用车)
GGG SiMo(卡车)
其他类别
轴承盖
柴油发动机组件
返回上一层
上一个:耐热钢-样件1
下一个:耐热钢-样件3
首页
>
产品中心
>
涡轮增压器类
>
耐热钢
详细介绍
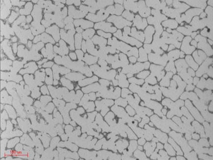
Unetched
Etched
乐竞体育官网首页
|
德信官网
|
德信·电子(中国)官方网站
|
ac米兰最新官网(China)官方网站
|
雷速平台
|
马博官方网站
|
MK官网
|
易倍网页版
|
世俱杯手机注册
|